FOTO Cum arată lacrimile sub microscop. Durerea şi fericirea, diferite în ochii noştri

0
Publicat:
Ultima actualizare:
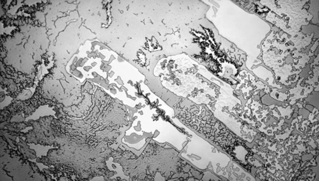
Aşa arată o lacrimă sub microscop

O fotografă din Statele Unite a vrut să vadă cum arată lacrimile sub microscop, aşa că a colectat 100 de mostre în diverse ocazii şi a creat proiectul “Topography of Tears”. Rezultat e unul spectaculos.

Rose-Lynn Fisher a început proiectul într-un moment dificil pentru ea şi plângând s-a întrebat care este forma lacrimilor ei şi dacă lacrimile de durere sunt diferite de cele apărute atunci când râdem.

Ce a făcut? Şi-a uscat şi şi-a catalogat mostrele de lacrimi şi le-a fotografiat la microscop. După aceea, a colectat şi lacrimile altora, adunând 100, potrivit io9.

Surprinzător, lacrimile arată diferit la microscop de fiecare dată, atunci când vin de la durere, de la râs sau de la ceapă. Lacrimile de la ceapă au o compoziţie chimică diferită de cele din timpul râsului. Mostrele colectate în timpul râsului conţin lisozime, care luptă cu bacteriile, iar cele din timpul durerii au leucină encefalină, un calmant natural al durerii.

“Sunt atâtea variabile - chimia, vâscozitatea, momentul, rata de evaporare şi poziţionarea microscopului”, scrie Fisher pe site-ul ei personal.

Iată câteva mostre.

Lacrimi de ceapă

Lacrimi de durere

Lacrimi de fericire

Mai multe în galeria foto completă

[<a href="//storify.com/vladandriescu3/fotografie" target="_blank">View the story "Fotografie" on Storify</a>]

Mai multe pentru tine:
Eduard, un copil de 10 ani, crescut de bunici și abandonat de părinți, luptă pentru viață! A vomitat sânge și are nevoie de o operație urgentă la inimă. AJUTĂ ȘI TU!
Femeile care au înfruntat foamea, frica și moartea: adevărul despre cum a distrus Uniunea Sovietică Moldova anilor ’40
De ce Eugen Cristea și Anca Pandrea simt în casă energia persoanelor moarte: „Nu oricine poate”. Și Mihai Onilă are o legătură paranormală cu fiica-înger: „O aud mental”
I-a donat propriul rinichi, dar n-a fost invitată la nunta Selenei Gomez. Cum explică donatoarea trădarea
Oana Roman nu îl mai menajează pe Botezatu! „Se îmbracă de zici că vrea să impresioneze un extraterestru cocalar”
Un obiect unic pe teritoriul fostei provincii romane Dacia, descoperit la Turda
Alimentul care nu trebuie să lipsească din farfuriile românilor. Dr. Virgiliu Stroescu îl recomandă în fiecare zi: „Ne curăță și ne vindecă tot organismul”
Salariile nemulțumesc jumătate dintre europeni. Românii resping ideea de transparență
Cum a reușit Ucraina să schimbe cursul confruntării cu Rusia. „Suntem în război cu Rusia de 300 de ani. Mai putem rezista o vreme”
Cauza morții bateristului Marius Keseri de la Direcția 5. Prietenii rup tăcerea. „Boala cumplită îl schimbase, nu-l mai recunoșteai. Venea la biserică să se roage”. Ultimele fotografii
Neliniște la palat! Ce crede familia regală britanică despre apariția lui Meghan Markle la Săptămâna Modei de la Paris